首页
关于我们
新闻资讯
产品中心
营销网络
应用领域
联系我们
首页
关于我们
公司简介
企业荣誉
发展历程
新闻资讯
公司新闻
行业资讯
产品中心
成品系列
塑料外壳式断路器
塑料外壳式漏电断路器
万能式断路器
剩余电流动作断路器
电子式塑壳断路器
漏电断路器
半机系列
精工件系列
营销网络
应用领域
联系我们
产品中心
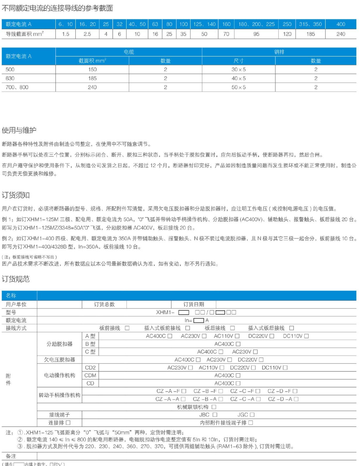
XHM1-100L/3300
产品详情
热销产品
XHW1-1600万能式断路器
更多
XHM1E系列智能断路器
更多
XHM7E-250L/3
更多